



SFDX-7000異頻介質損耗測試儀是發電廠、變電站等現場或實驗室測試各種高壓電力設備介損正切值及電容量的高精度測試儀器。儀器為一體化結構,內置介損測試電橋,可變頻調壓電源,升壓變壓器和SF6 高穩定度標準電容器。測試高壓源由儀器內部的逆變器產生,經變壓器升壓后用于被試品測試。頻率可變為50.0Hz、47.5Hz\52.5Hz、45.0Hz\55.0Hz、60.0Hz、57.5Hz\62.5Hz、55.0Hz\65.0Hz,采用數字陷波技術,避開了工頻電場對測試的干擾,從根本上解決了強電場干擾下準確測量的難題。同時適用于全部停電后用發電機供電檢測的場合。該儀器配以絕緣油杯加溫控裝置可測試絕緣油介質損耗。
儀器主要具有如下特點:
l 超大液晶中文顯示
操作簡單,儀器配備了高端的全觸摸液晶顯示屏,超大全觸摸操作界面,每過程都非常清晰明了,操作人員不需要額外的專業培訓就能使用。輕輕點擊一下就能完成整個過程的測量,是目前非常理想的智能型介損測量設備。
l 海量存儲數據
儀器內部配備有日歷芯片和大容量存儲器,保存數據200組,能將檢測結果按時間順序保存,隨時可以查看歷史記錄,并可以打印輸出。
l 科學先進的數據管理
儀器數據可以通過U盤導出,可在任意一臺PC機查看和管理數據。
l 多種測試模式
儀器能夠分別使用內高壓、內標準、正接法、反接法、自激法等多種方式測試。
l CVT測試
該儀器可以測試全密封的CVT(電容式電壓互感器)C1、C2的介損和電容量。
l 不拆高壓引線測量CVT
儀器可在不拆除CVT高壓引線的情況下正確測量CVT的介質損耗值和電容值。
l CVT反接屏蔽法測量C0
儀器可采用反接屏蔽法測量CVT上端C0的介質損耗值和電容值。
l 高速采樣信號
儀器內部的逆變器和采樣電路全部由數字化控制,輸出電壓連續可調。
l 多重保護安全可靠
儀器具備輸入電壓波動、高壓電流、輸出短路、電源故障、過壓、過流、溫度等多重保護措施,保證了儀器安全、可靠。儀器還具備設置接地檢測功能,確保不接地設備不允許操作啟動測試。
在交流電壓作用下,電介質要消耗部分電能,這部分電能將轉變為熱能產生損耗。這種能量損耗叫做電介質的損耗。當電介質上施加交流電壓時,電介質中的電壓和電流間成在相角差ψ,ψ的余角δ稱為介質損耗角,δ的正切tgδ稱為介質損耗角正切。tgδ值是用來衡量電介質損耗的參數。儀器測量線路包括一標準回路(Cn)和一被試回路(Cx),如圖2—1所示。標準回路由內置高穩定度標準電容器與測量線路組成,被試回路由被試品和測量線路組成。測量線路由取樣電阻與前置放大器和A/D轉換器組成。通過測量電路分別測得標準回路電流與被試回路電流幅值及其相位差,再由數字信號處理器運用數字化實時采集方法,通過矢量運算得出試品的電容值和介質損耗正切值。儀器內部已經采用了抗干擾措施,保證在外電場干擾下準確測量。
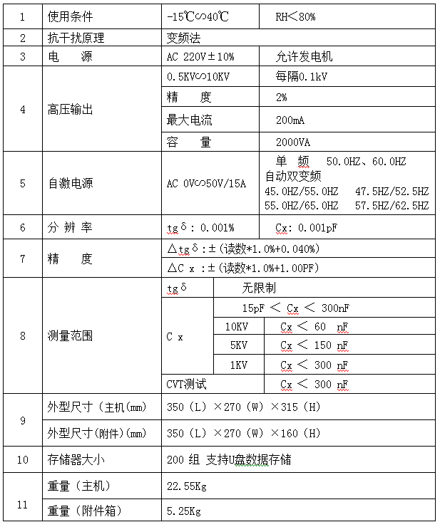
|
1 |
使用條件 |
-15℃∽40℃ |
RH<80% |
||
|
2 |
抗干擾原理 |
變頻法 |
|||
|
3 |
電 源 |
AC 220V±10% |
允許發電機 |
||
|
4 |
高壓輸出 |
0.5KV∽10KV |
每隔0.1kV |
||
|
精 度 |
2% |
||||
|
最大電流 |
200mA |
||||
|
容 量 |
2000VA |
||||
|
5 |
自激電源 |
AC 0V∽50V/15A |
單 頻 50.0HZ、60.0HZ 自動雙變頻 45.0HZ/55.0HZ 47.5HZ/52.5HZ 55.0HZ/65.0HZ 57.5HZ/62.5HZ |
||
|
6 |
分 辨 率 |
tgδ: 0.001% |
Cx: 0.001pF |
||
|
7 |
精 度 |
△tgδ:±(讀數*1.0%+0.040%) |
|||
|
△C x :±(讀數*1.0%+1.00PF) |
|||||
|
8 |
測量范圍 |
tgδ |
無限制 |
||
|
C x |
15pF < Cx < 300nF |
||||
|
10KV |
Cx < 60 nF |
||||
|
5KV |
Cx < 150 nF |
||||
|
1KV |
Cx < 300 nF |
||||
|
CVT測試 |
Cx < 300 nF |
||||
|
9 |
外型尺寸(主機(mm) |
350(L)×270(W)×315(H) |
|||
|
外型尺寸(附件)(mm) |
350(L)×270(W)×160(H) |
||||
|
10 |
存儲器大小 |
200 組 支持U盤數據存儲 |
|||
|
11 |
重量(主機) |
22.55Kg |
|||
|
重量(附件箱) |
5.25Kg |
||||
| 文件名 | 點擊下載 |
| SFDX-7000異頻介質損耗測試儀 說明書 | |
| SFDX-7000異頻介質損耗測試儀 檢定證書 |