
新品推薦
SFK-II有載開關測試儀
發布日期:2020-06-21 點擊:4388次
SFK-II有載開關測試儀主機介紹
有載分接開關是與變壓器回路連接的唯一運動部件,因此有載分接開關的檢測,越來越引起重視。在《電力設備交接和預防性試驗規程》中,要求檢查有載分接開關的動作順序,測量切換時間等。該儀器主要用于測量變壓器有載分接開關的過渡波形、過渡時間、各瞬間過渡電阻值、三相同期性等。
該儀器智能化程度高,全部中文菜單提示,操作簡單。儀器體積小,重量輕,抗干擾能力強,大大減輕了現場工作人員的勞動強度,是發供電單位,變壓器制造行業保障安全生產,提高產品質量的理想儀器。
二、功能特點
? 儀器輸出電流大,重量輕;
? 測試YN、Y、△型變壓器,阻值不用換算直接顯示;
? 可帶繞組、不帶繞組測量;
? 波形顯示根據采樣值自動調整電阻、時間值幅值
? 具有完善的保護電路,可靠性強;
? 7寸的大液晶顯示,便于現場操作;
? 內部可以自動保存500組數據。
三、技術參數
輸出電流 1.0A、0.5A、0.2A
測量范圍 過渡電阻:0.3Ω~20Ω(1.0A) 5Ω~40Ω(0.5A)
20Ω~100Ω(0.2A)
過渡時間:0~320ms
開路電壓 24V
測量精度 過渡電阻:±(5%讀數±0.1Ω)
過渡時間:±(0.1%讀數±0.2ms)
采樣速率 20kHz
存儲方式 本機存儲
外形尺寸 主機:360*290*170 (mm) 線箱:360*290*170(mm)
儀器重量 主機6.15KG 線箱4.55KG
四、使用條件
環境溫度 -10℃~50℃
環境濕度 ≤85%RH
工作電源 AC220V±10%
電源頻率 50±1Hz
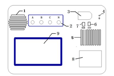
五、面板介紹
1.風 扇:排風口。
2.A、B、C、N 分別對應變壓器的A、B、C、N。
3.AC220V:整機電源輸入口,帶有交流插座,保險倉和開關。
4.接地柱:為整機外殼接地用,屬保護地。
5.散熱孔。
6.232串口
7.USB口
8.打印機:高速打印機,打印測試結果。
9.顯示器:7吋高亮液晶顯示屏。
六、操作說明
操作時需注意事項:
? 使用前,儀器的接地端子必須接好地線。
? 測試過程中,不允許拆除測試線。
? 帶繞組測試時,變壓器的非測試端應三相短路接地。
? 對于長時間未動的有載開關,測試前應多次轉換開關,磨除觸頭表面的氧化層及雜質。
(1)帶繞組測試方法
1.拆去被測變壓器的三側引線,將非測試端(通常為中壓側、低壓側)分別三相短路接地。將測試鉗黃、綠、紅、黑依次夾到被測變壓器的調壓側(通常為高壓側)套管的A、B、C三相和中性點上,然后將測試線另一端黃、綠、紅、黑線分別接在儀器的A、B、C、N端子上。下圖為不同類型變壓器接線方式:
注意:A、B、C三相動觸頭短接后接到儀器的中性點接線端子上
(3)調壓側繞組Y型接線中性點沒有引出的變壓器的測試方法
這種結構的試品在不吊芯情況下,中性點無法引出,只好每兩相一測試,例如測A、B兩相,接線方法如圖6.6所示,把C相當作中性點, 操作步驟和帶繞組測試方法相同,只是在液晶屏上一次只顯示兩組波形和數據,數據的分析和有中性點引出的變壓器的分析方法相同,只是過渡電阻值需要換算:設測量值為R’,實際值為R,則兩相測量時R=1/3R’(如單相測量時則R=1/2R’)。待A、B相測完以后,可以再把A相當作中性點,測量B、C相,或者把B相當作中性點,測量A、C相。其接線方法和數據分析均相同。
SFK-II有載開關測試儀主機介紹 -文章來源;www.jiaximan.com.cn 湖北四方國瑞電力控股有限公司
湖北四方國瑞電力控股有限公司是國內高電壓測試儀器和承試設備的專業制造商,簡 稱:四方電力集研發、銷售、服務于一體。為各類電力用戶提供高電壓試驗及檢測的完備解決方案。公司注冊資金1000萬元,凈資產5.2億元。 占地面積約17畝,現有廠房面積3.5萬平方米,擁有3家全資子公司,員工總數近500人,擁有多位教授及高級工程師、享受國科院級津貼專家等高端專業人才。湖北四方國瑞電力控股有限公司位于湖北省武漢市東湖開發區光谷大道303光谷芯中心。是專業從事開發,研制,生產和銷售承裝修試|承試一級,二級,三級,四級,五級資質設備,變頻串聯諧振試驗裝置,斷路器測試儀,直流電阻測試儀,開關測試儀,繼電保護裝置,電纜故障測試儀,絕緣電阻測試儀,互感器測試儀,氧化鋅避雷器特性測試儀和互感器伏安變比極性綜合測試儀等電氣測試設備,電力系統綜合自動化及智能儀器儀表的生產型高新技術企業。
湖北四方國瑞電力控股有限公司是國家“高新技術企業”、湖北省“創新型企業”,獲省科技廳授權建立“湖北省高壓智能試驗設備工程技術研究中心”;被省經信委認定為省級“企業技術中心”,也是“電力行業高壓試驗技術標準化技術委員會”、“全國高電壓試驗技術標準化分技術委員會”、“全國電磁計量技術委員會高壓計量分會”委員單位。參與編寫了《電力設備專用測試儀器通用技術條件》等11個行業標準,其中6個已頒布,5個正在編寫當中。
公司擁有自主知識產權,已獲得《超高電壓交流耐壓試驗車》等13項發明專利、《特高壓直流高壓發生器》等21項實用新型專利,另有14項發明專利已進入實質性審查階段;已獲得5個軟件產品和19項軟件著作權。公司試驗中心于2007年獲得國家認可委(CNAS)實驗室認可證書;2005年公司已通過ISO9001質量管理體系認證;公司于2012年還推行了計量管理體系、知識產權管理體系和信用管理體系。
湖北四方國瑞電力控股有限公司是中國高電壓試驗設備的知名品牌。用戶遍布全國所有省市,其中包括國家電網公司、南方電網公司、五大發電集團、中國電科院、國網電科院、各省市供電公司以及中國石油、中國石化、中國鋁業等大型企業集團。湖北四方國瑞電力控股有限公司自主研發生產的四大類產品主要應用于電力系統中從發電、輸變電到配電所有環節各種電壓等級電力設備的交接試驗、預防性試驗和狀態檢修。具體分為:移動式電力測試智能集成系統、超/特高壓交直流試驗裝置系列、交直流高壓試驗裝置系列和輸變電測試儀器。所有產品均通過“國家電力工業電氣設備質量檢驗測試中心”檢測或型式試驗;并獲得“國家高電壓計量站”校準證書。
湖北四方國瑞電力控股有限公司倡導技術創新、品質優良、服務完善、誠信為本的企業理念。專注于高電壓試驗設備及其測試技術的研究和發展,努力為我國堅強智能電網建設和保障電網安全運行作出貢獻。
展望未來,公司將秉承“專業打造精品電測產品,誠信贏得至高市場榮譽”的企業精神和“誠信、合作、務實、創新”的行動準則,以“誠”為本,以“信”為先,在電測領域全面樹立深受市場信賴的“四方國瑞電力”品牌形象,不斷為國內外客戶創造最大價值。四方國瑞電力真誠歡迎各界同仁全面合作,攜手共進。